Новости
Все новости
1 апреля 2026
Новый дизайн ключей от ABUS
17 марта 2026
Цилиндр ABUS EC880 — премиум‑защита для вашей двери
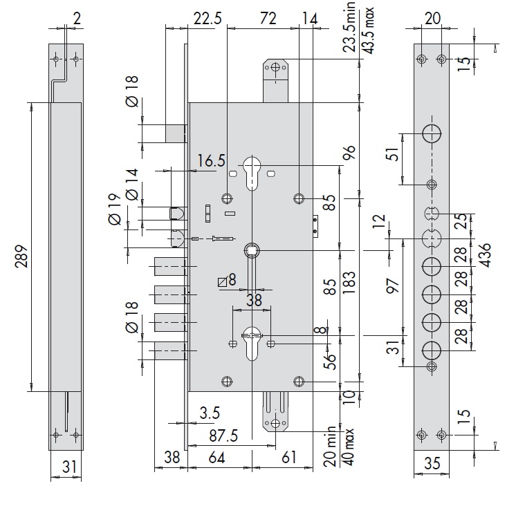
Замок врезной электромеханический CISA 16.786.28
- Описание
-
ОписаниеЭлектроуправляемая защелка-ригель. Предусмотрена возможность дополнительных точек запирания. Напряжение 12 B переменного тока, потребляемый ток 3,1 A.
Предназначен для установки в металлические двери толщиной не менее 40 мм.
- Вылет ригеля: 38 мм
- Размер ригеля: 18 мм
- Бэксет (удаление ключевого отверстия): 64 мм
- Межосевое расстояние: 85 мм
Характеристики
Производство Италия Гарантия 1 год Материал Сталь оцинкованная - Вылет ригеля: 38 мм







































































































